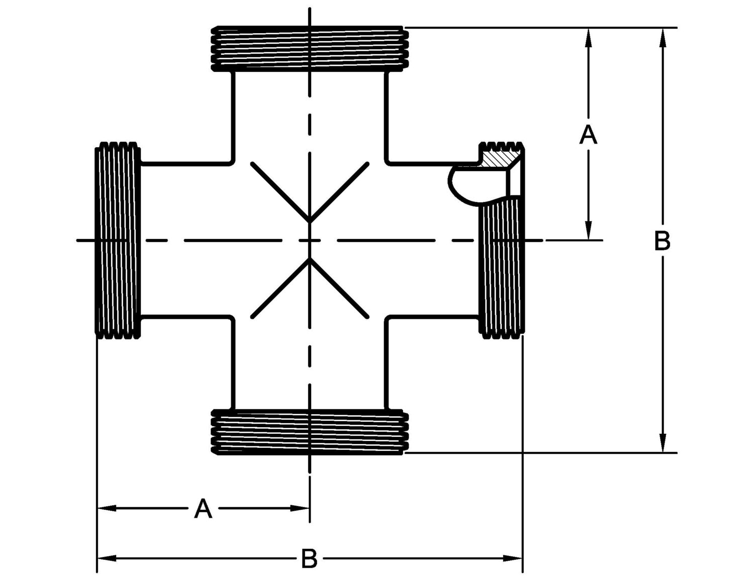
9 CROSS, THREADED ENDS
| Part Number | Size (inches) | A | B |
|---|---|---|---|
| 9-1 | 1 | 1.813 | 3.626 |
| 9-1.5 | 1 1/2 | 2.375 | 4.750 |
| 9-2 | 2 | 2.813 | 5.626 |
| 9-2.5 | 2 1/2 | 3.188 | 6.376 |
| 9-3 | 3 | 3.527 | 7.054 |
| 9-4 | 4 | 4.657 | 9.314 |
| Part Number | Size (inches) | A | B |
|---|---|---|---|
| 9-1 | 1 | 1.813 | 3.626 |
| 9-1.5 | 1 1/2 | 2.375 | 4.750 |
| 9-2 | 2 | 2.813 | 5.626 |
| 9-2.5 | 2 1/2 | 3.188 | 6.376 |
| 9-3 | 3 | 3.527 | 7.054 |
| 9-4 | 4 | 4.657 | 9.314 |