DN14WMPAS DN 32676 CLAMP X METRIC TUBE WELD

Contact Us

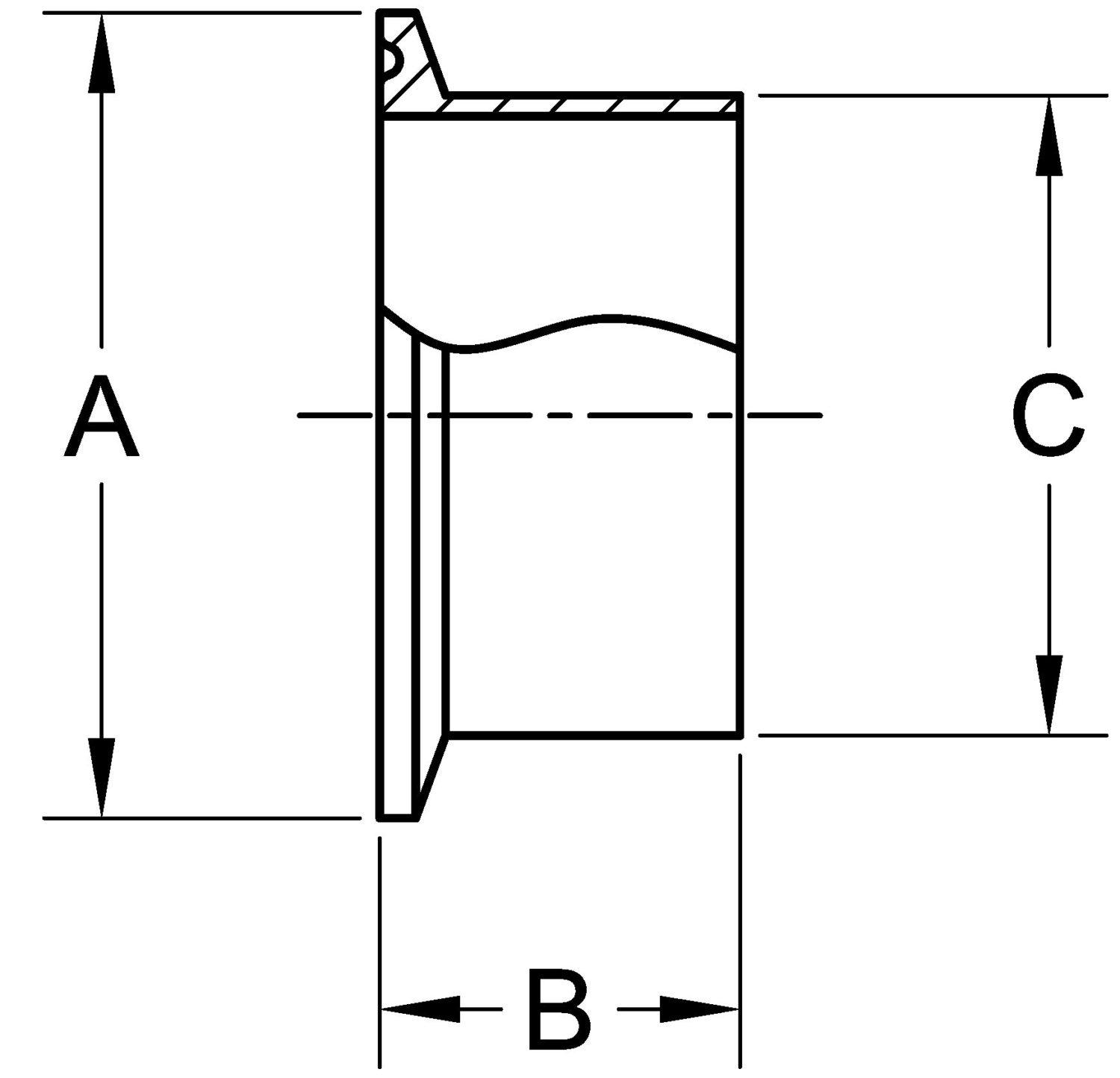
Part NumberSize (inches)ABC
DN14WMPMAS-DN20DIN 201.3390.7090.906
DN14WMPMAS-DN25DIN 251.9880.8461.142
DN14WMPMAS-DN40DIN 401.9880.8461.614
DN14WMPMAS-DN50DIN 502.5200.8462.087
DN14WMPMAS-DN80DIN 804.1731.1023.346
DN14WMPMAS-DN100DIN 1004.6851.1024.094

Ready to Order?

Did you know

that the Partner Portal allows you to:

  • View available inventory
  • Access MTRs immediately
  • Simplify your order history with Customized Order View 

Sign Up Today