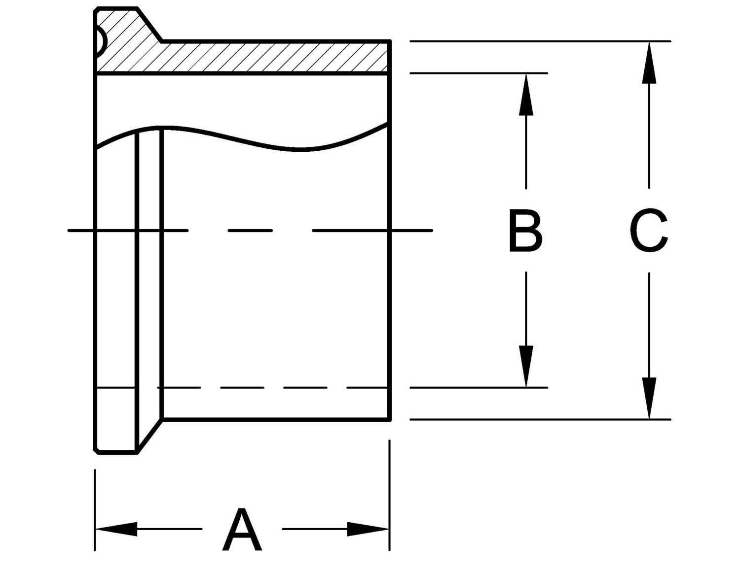
14WHQ TANK WELD FERRULE
| Part Number | Size (inches) | A | B | C |
|---|---|---|---|---|
| 14WHQ-1 | 1 | 1.500 | 0.870 | 1.250 |
| 14WHQ-1.5 | 1 1/2 | 1.625 | 1.370 | 1.688 |
| 14WHQ-2 | 2 | 1.750 | 1.870 | 2.250 |
| 14WHQ-2.5 | 2 1/2 | 1.750 | 2.370 | 2.750 |
| 14WHQ-3 | 3 | 1.813 | 2.870 | 3.313 |
| 14WHQ-4 | 4 | 2.125 | 3.834 | 4.250 |
| Part Number | Size (inches) | A | B | C |
|---|---|---|---|---|
| 14WHQ-1 | 1 | 1.500 | 0.870 | 1.250 |
| 14WHQ-1.5 | 1 1/2 | 1.625 | 1.370 | 1.688 |
| 14WHQ-2 | 2 | 1.750 | 1.870 | 2.250 |
| 14WHQ-2.5 | 2 1/2 | 1.750 | 2.370 | 2.750 |
| 14WHQ-3 | 3 | 1.813 | 2.870 | 3.313 |
| 14WHQ-4 | 4 | 2.125 | 3.834 | 4.250 |