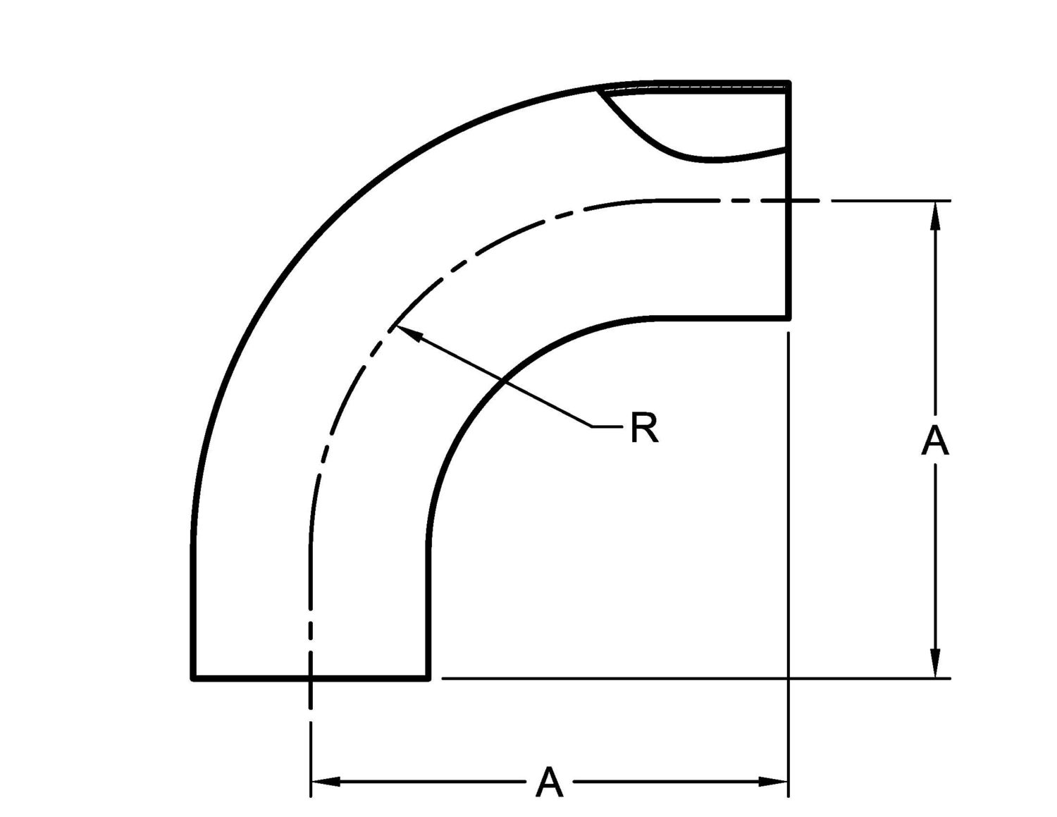
L2S 90 DEGREE ELBOW, TANGET WELD ENDS

Contact Us

Part NumberSize (inches)ARSTP File
L2S-.501/23.0000.75STP
L2S-.50L1/23.0001.13STP
L2S-.753/43.0001.13STP
L2S-112.0621.50STP
L2S-1.51 1/22.9372.25STP
L2S-224.0623.00STP
L2S-2.52 1/25.1873.75STP
L2S-336.3124.50STP
L2S-448.3126.00STP
L2S-6611.0009.00STP

Ready to Order?

Did you know

that the Partner Portal allows you to:

  • View available inventory
  • Access MTRs immediately
  • Simplify your order history with Customized Order View 

Sign Up Today