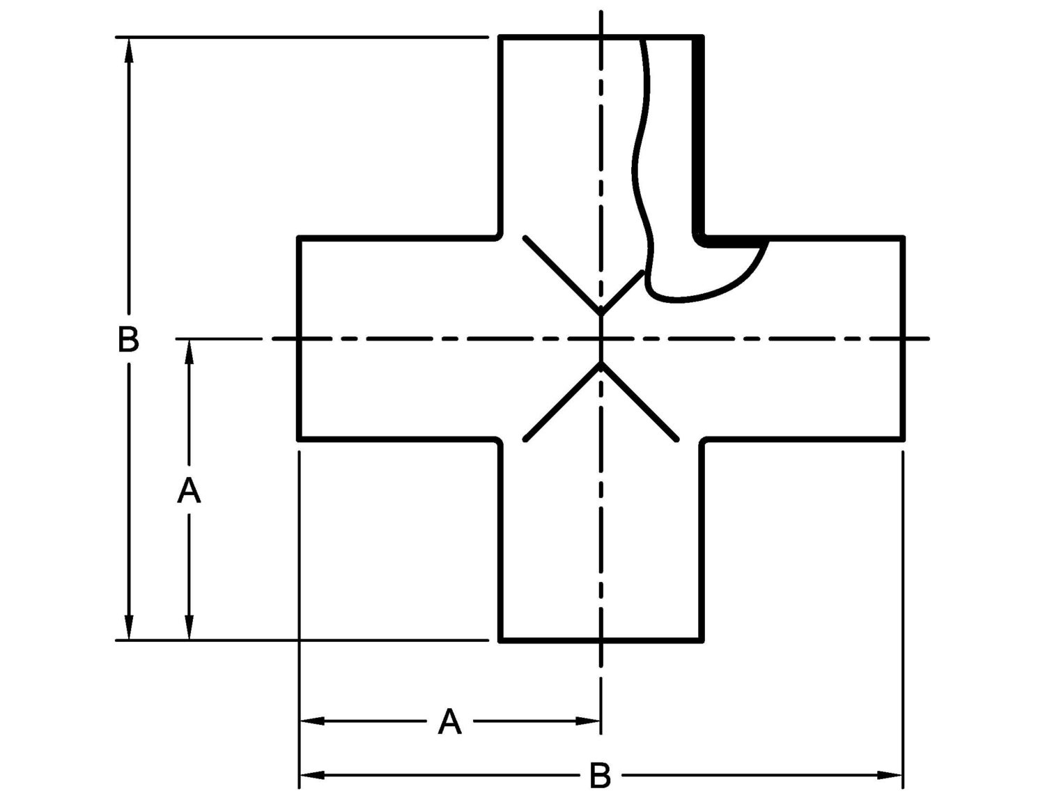
9W CROSS, WELD ENDS (LONG)
| Part Number | Size (inches) | A | B | STP File |
|---|---|---|---|---|
| 9W-1 | 1 | 1.875 | 3.750 | STP |
| 9W-1.5 | 1 1/2 | 2.250 | 4.500 | STP |
| 9W-2 | 2 | 3.000 | 6.000 | STP |
| 9W-2.5 | 2 1/2 | 3.000 | 6.000 | STP |
| 9W-3 | 3 | 3.250 | 6.500 | STP |
| 9W-4 | 4 | 3.875 | 7.750 | STP |
| Part Number | Size (inches) | A | B | STP File |
|---|---|---|---|---|
| 9W-1 | 1 | 1.875 | 3.750 | STP |
| 9W-1.5 | 1 1/2 | 2.250 | 4.500 | STP |
| 9W-2 | 2 | 3.000 | 6.000 | STP |
| 9W-2.5 | 2 1/2 | 3.000 | 6.000 | STP |
| 9W-3 | 3 | 3.250 | 6.500 | STP |
| 9W-4 | 4 | 3.875 | 7.750 | STP |