9WWWW CROSS, WELD ENDS (SHORT)

Contact Us

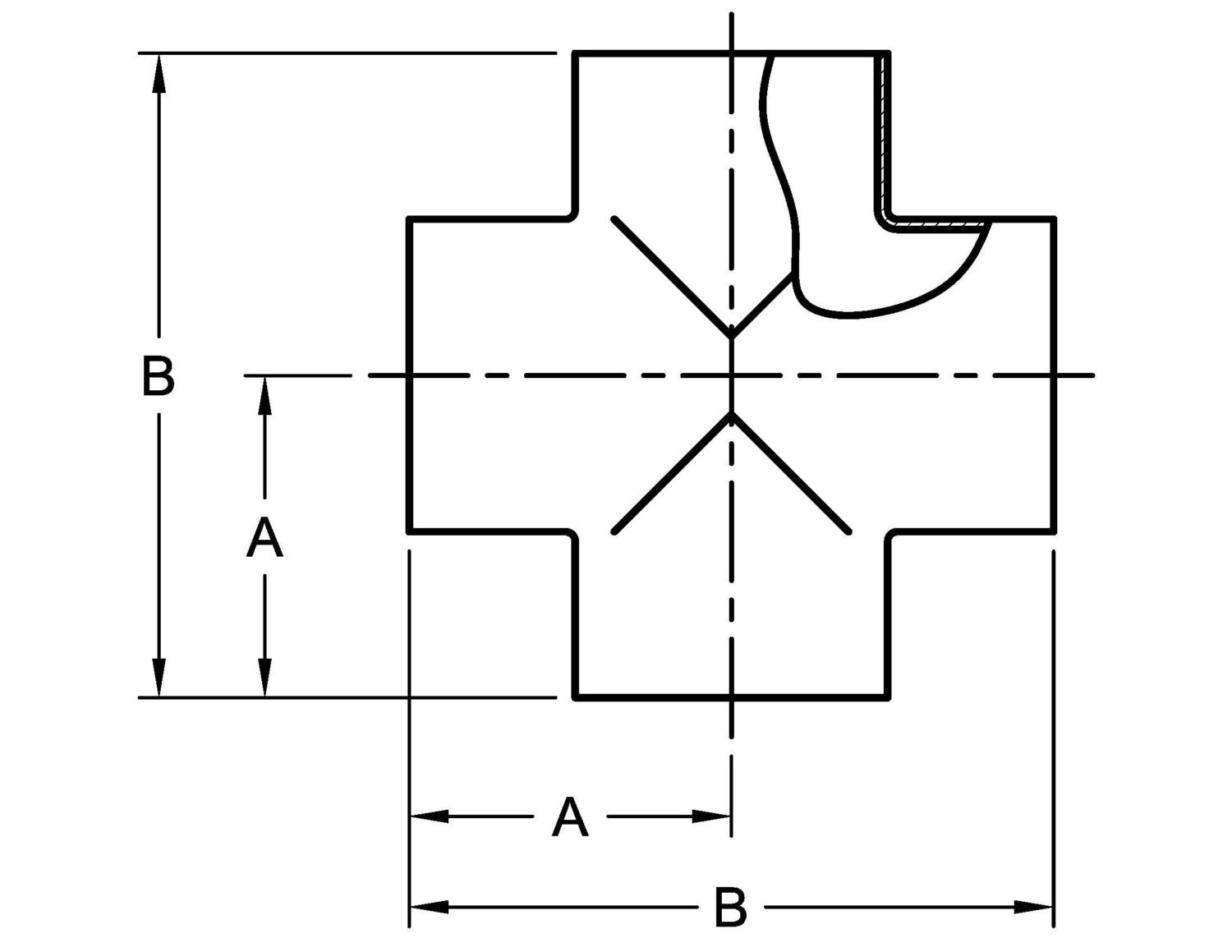
Part NumberSize (inches)AB
9WWW-.501/20.7501.500
9WWW-.753/41.1252.250
9WWW-111.1252.250
9WWW-1.51 1/21.6563.312
9WWW-222.0634.125
9WWW-2.52 1/22.3444.688
9WWW-332.5945.188
9WWW-443.4386.875
9WWW-665.62511.250

Ready to Order?

Did you know

that the Partner Portal allows you to:

  • View available inventory
  • Access MTRs immediately
  • Simplify your order history with Customized Order View 

Sign Up Today