Features:
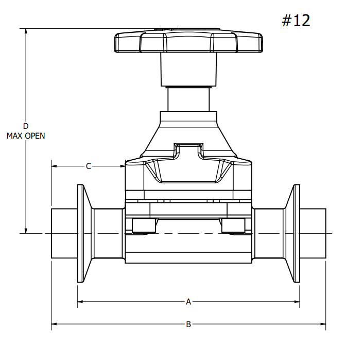
BIOPRO® forged bodies are manufactured from ASTM A182 GR F316L material with additional controls in regards to chemical content. The sulfur content is maintained to meet and exceed the stringent requirements of BPE. All forgings are solution annealed to maintain the ferrite content to be .05% or less. This low ferrite content eliminates the concern for contaminants and migration of oxides throughout the system. Machining of the contours is performed by using state of the art cad/cam system assuring repeatability of the weir and valve cavity profiles for full drainability. Each forging contains two hash marks clearly indicating the drain angle plane for ease of installation. BIOPRO® forged bodies are in compliance with FDA guidelines as well as cGMP principles and are specifically designed for use in ultra-pure applications where sterility is critical. Steel & O'Brien provides these bodies with heat numbers etched into them for full traceability. Mill test summaries are provided with each shipment. BIOPRO® forged diaphragm valves are available in sizes ranging from 1/2” through 6” with clamp or weld end connections and surface finishes ranging through 10 RA.
Here are some key standard features to consider for your next requirement:
- Low ferrite DIN 1.4435 316L forged body sizes 1/4″-4″ with controlled sulfur content to BPE 2019 0.005-0.017 with 3.1 Material Certification
- Autoclaveable FKM o-ring sealed 304SS stainless steel manual bonnet with PPS thermoplastic handwheel
- Thermoplastic piston-type pneumatic actuators with your choice of popular controls for feedback.
- FDA and USP Class VI (Sections 87 & 88) conforming steam grade EPDM, MPTFE/EPDM, and MPTFE/FKM backed diaphragms
- Specialty fabricated sterile access and GMP style valves
- ZERODL™ machined block body style valve types – Point of Use, T-pattern, Divert style, Tank Bottom, and many others specialties as designed
- Interchangeable diaphragms and top works with some other manufacturers
- Extensive on the shelf inventory for project support
- 100% BPE compliant
- Full material traceability
Steel & O'Brien offers several different types of switch packages and control monitors for position feedback to PLC.
Optional integrally mounted or externally mounted solenoid valves are also available.
Options include….
Point-to-Point:
Network Type:
- AS-i
- DeviceNet
- Foundation Fieldbus
- Modbus
Note: Not all platforms are available on all valve types. Consult the factory for availability depending on requirements.