Spray Balls are available in various spray patterns as shown. They are stationary and meant to be mounted to a tube or pipe. Typical uses are in the food and beverage industries for cleaning storage tanks.
Spray Balls
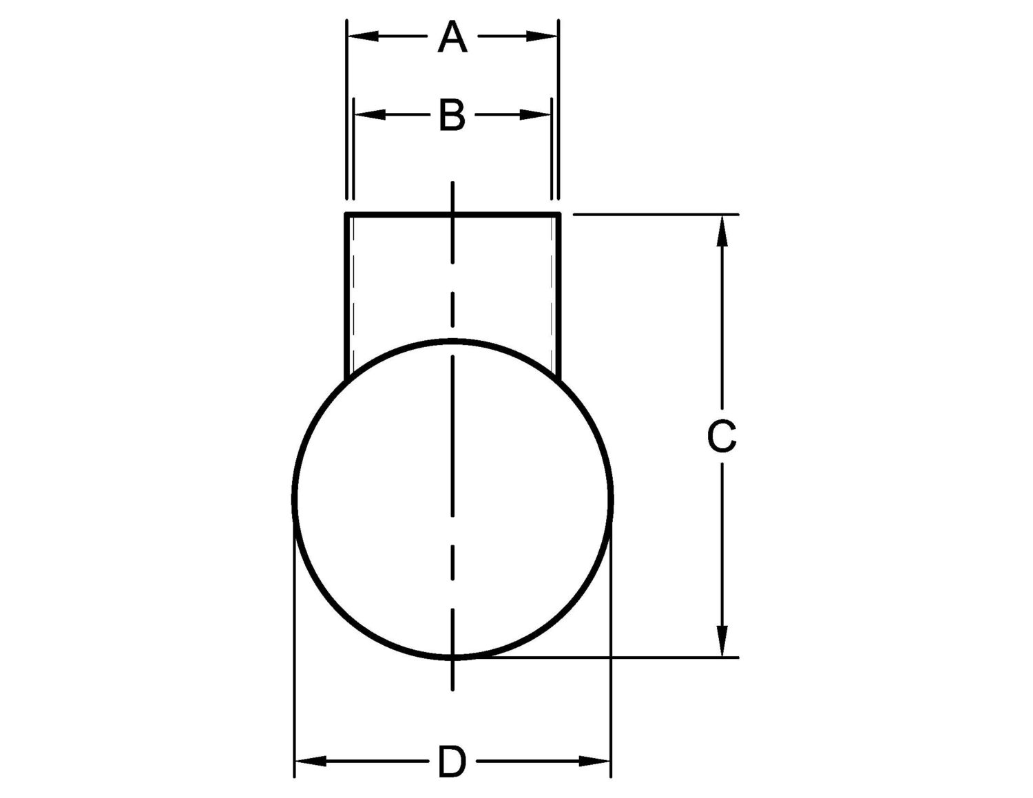
| Part Number | Size (inches) | A | B | C | D | Spray Pattern | Spray Radius (ft.) | Hold Dia. | Flow Rate (GPM) |
|---|---|---|---|---|---|---|---|---|---|
| SBSA-1X2.5 | 1 X 2 1/2 | 1.125 | 1.031 | 3.500 | 2.500 | TYPE A | 6 | 3/32 | 30 |
| SBSB-1X2.5 | 1 X 2 1/2 | 1.125 | 1.031 | 3.500 | 2.500 | TYPE B | 6 | 3/32 | 18 |
| SBSC-1X2.5 | 1 X 2 1/2 | 1.125 | 1.031 | 3.500 | 2.500 | TYPE C | 6 | 3/32 | 18 |
| SBSD-1X2.5 | 1 X 2 1/2 | 1.125 | 1.031 | 3.500 | 2.500 | TYPE D | 6 | 3/32 | 18 |
| SBSA-1.5X2.5 | 1 1/2 X 2 1/2 | 1.630 | 1.515 | 3.500 | 2.500 | TYPE A | 6 | 3/32 | 28 |
| SBSB-1.5X2.5 | 1 1/2 X 2 1/2 | 1.630 | 1.563 | 3.500 | 2.500 | TYPE B | 6 | 3/32 | 16 |
| SBSC-1.5X2.5 | 1 1/2 X 2 1/2 | 1.630 | 1.563 | 3.500 | 2.500 | TYPE C | 6 | 3/32 | 16 |
| SBSD-1.5X2.5 | 1 1/2 X 2 1/2 | 1.630 | 1.563 | 3.500 | 2.500 | TYPE D | 6 | 3/32 | 16 |
| SBSA-1.5X3.5 | 1 1/2 X 3 1/2 | 1.630 | 1.515 | 4.750 | 3.500 | TYPE A | 6 1/2 | 3/32 | 48 |
| SBSB-1.5X3.5 | 1 1/2 X 3 1/2 | 1.630 | 1.563 | 4.750 | 3.500 | TYPE B | 6 1/2 | 3/32 | 23 |
| SBSC-1.5X3.5 | 1 1/2 X 3 1/2 | 1.630 | 1.563 | 4.750 | 3.500 | TYPE C | 6 1/2 | 3/32 | 23 |
| SBSD-1.5X3.5 | 1 1/2 X 3 1/2 | 1.630 | 1.563 | 4.750 | 3.500 | TYPPE D | 6 1/2 | 3/32 | 23 |
Made with heavy guage material for longer life, they are available in both 304 & 316L grades.