3-Way Air
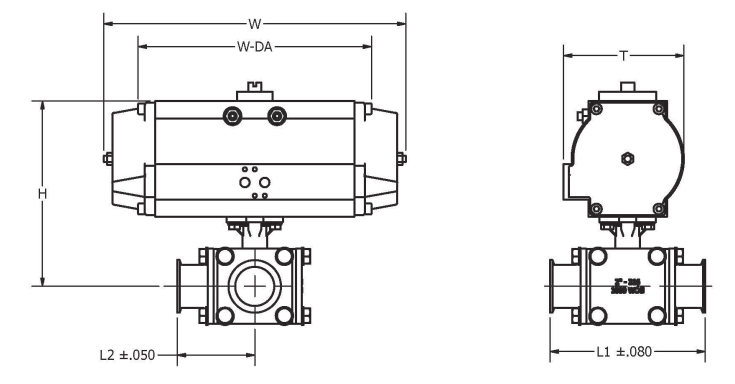
| Part Number | Size (inches) | T | W-DA | H | W | L1 | L2 | Pressure Rating @ 70°F. | Pressure Rating @ 300°F. |
|---|---|---|---|---|---|---|---|---|---|
| BLV3CL-NC-.50 | 1/2 | 2.930 | 4.720 | 4.350 | 5.60 | 4.65 | 2.32 | 1,000 PSI | 175 PSI |
| BLV3CL-NC-.75 | 3/4 | 2.930 | 4.720 | 4.490 | 5.60 | 5.00 | 2.50 | 1,000 PSI | 175 PSI |
| BLV3CL-NC-1 | 1 | 3.210 | 5.680 | 5.430 | 6.40 | 6.00 | 2.99 | 1,000 PSI | 175 PSI |
| BLV3CL-NC-1.5 | 1 1/2 | 3.740 | 5.870 | 6.690 | 7.67 | 6.89 | 3.45 | 1,000 PSI | 175 PSI |
| BLV3CL-NC-2 | 2 | 4.690 | 7.210 | 7.990 | 7.67 | 7.48 | 3.74 | 1,000 PSI | 175 PSI |
| BLV3CL-NC-2.5 | 2 1/2 | 5.530 | 10.930 | 9.490 | 14.88 | 8.98 | 4.22 | 800 PSI | 175 PSI |
| BLV3CL-NC-3 | 3 | 5.530 | 10.930 | 10.490 | 16.25 | 10.24 | 4.80 | 800 PSI | 175 PSI |
| BLV3CL-NC-4 | 4 | 5.530 | 10.930 | 10.870 | 16.25 | 11.38 | 6.26 | 800 PSI | 175 PSI |