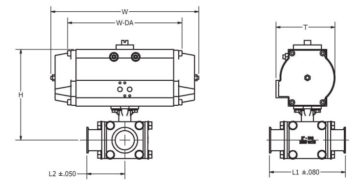
ACTUATED 3-WAY BALL VALVES

Ready to Order?

Did you know

that the Partner Portal allows you to:

  • View available inventory
  • Access MTRs immediately
  • Simplify your order history with Customized Order View 

Sign Up Today